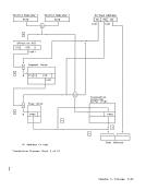
Entry-Table Entry ~Priv op ~"';f zero in ~ problem state CR3 ~------~------~ beforel~_p_KrM __ ~_S_A_S_H_~ I .J, eE-E -------e I I .J, .J, IA P PARM
GR 4r-----------. afterl PARM CR4 before CRI ~--------------~ before~I ______ p_S~T~D ______ ~ CR7 ~--------------~ after~I ______ s_S_T_D ______ ~ PSW [/
before/~~ __ ~ __ ~ _____ I~A __ ~O~ 1'"""1 ------------. .J, CR 3 .....--------r---------. afterl PKM SASH .J, GR3 ~-----~~-----~ afterl PKM PASH o I .J, .J, GR14 ~----r---------~~ after~I __ O~ _____ I_A ____ ~I~pl '" I Yes E]I--H_o_--'I '" '" PC-cp PC-55 Instruction ASH trans-
complete lation
Execution ofPROGRAM CALL (Part 2 of 3): PC-cp and PC-55 Chapter 10. Control Instructions 10-29
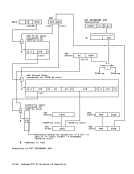
GR 4
before
complete lation
Execution of













































































































































































































































































































































































































































































































































































